名膜四川水处理设备有限公司!专注水处理设备生产销售,20000个客户的支持与信赖!
成都水处理设备

当前位置:

成都液体罐车蒸洗罐体废水-废气联合治理设备与

来源:四川名膜 时间:2019-03-14 11:07:16 浏览:711

本发明涉及一种液体罐车蒸洗罐体废水?废气联合治理设备与工艺。其技术方案是:各零部件按功能构成废气汇集部分、有机液体收集部分、废水雾化喷烧部分、氧化热量提取和利用部分、氧化装置主体部分、安全保护部分,各部分由管道及附件连接组成。其有益效果是:1环保效果彻底:将部分有机废水汽化并与有机废气、空气均质化混合后的混合气体在高温氧化床内氧化,将有机物质转化成无害物质;2、运行安全可靠:采用了预混燃烧和扩散燃烧相结合的方式处理废水和废气中的油品有机物。3、运行经济性好:利用了废水和废气中的有机物能量,降低设备运行成本;4、应用方式多样化:既联合处理废水和废气,又可单独处理废水、废气。

 

  权利要求书

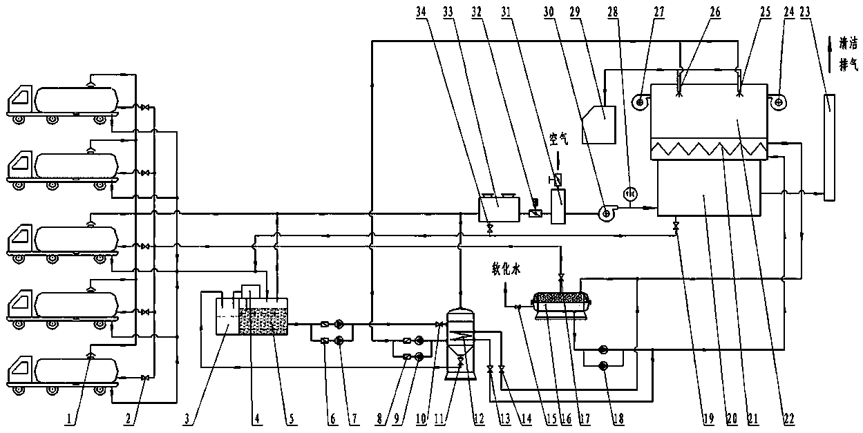
  1.一种液体罐车蒸洗罐体废水-废气联合治理设备,其特征是:主要包括罐车废气收集罩(1)、有机液体池(3)、撇油机(4)、有机物废水池(5)、废水输出泵(7)、高压喷烧泵(9)、蒸馏罐(12)、汽水分离器(16)、高温水循环泵(18)、氧化装置换向阀(20)、氧化装置换热器(21)、氧化装置蓄热氧化室(22)、氧化装置排气烟囱(23)、燃烧机、雾化喷枪、空气压缩机(29)、主风机(30)、空气掺混器(31)和阻火泄瀑器(33),所述罐车废气收集罩(1)、有机物废水池(5)、蒸馏罐(12)通过管道相连接,构成罐车内废气、有机物废水池内废气、蒸馏罐内废气汇集部分,有机废气相汇合后进入氧化装置蓄热氧化室(22)内氧化有机物,其中每台蒸洗罐车车位设置至少一个罐车废气收集罩(1);有机液体池(3)、撇油机(4)、有机物废水池(5)、蒸馏罐放油阀(11)之间通过管道相连接构成有机液体收集部分;废水输出泵(7)、高压喷烧泵(9)、一组或一组以上的雾化喷枪、空气压缩机(29)、一组或一组以上的燃烧机通过管道相连接构成有机废水雾化喷烧部分;蒸馏罐(12)、汽水分离器(16)、高温水循环泵(18)、氧化装置换热器(21)通过管道相连接构成氧化热量提取和利用部分;氧化装置换向阀(20)、氧化装置换热器(21)、氧化装置蓄热氧化室(22)自下而上依此连接安装构成氧化装置主体部分;有机气体浓度传感器(28)、主风机(30)、空气掺混器(31)、安全保护阀(32)、阻火泄瀑器(33)依次相连接,构成安全保护部分。

  2.根据权利要求1所述的液体罐车蒸洗罐体废水-废气联合治理设备,其特征是:在每一台蒸洗罐车的上部设有至少一个罐车废气收集罩(1),每个罐车废气收集罩(1)通过管线汇集在一起,并且连接到有机物废水池(5)的上部和蒸馏罐(12)的上部,三组管线汇合后,再通过阻火泄瀑器(33)、空气掺混器(31)、主风机(30),进入氧化装置。

  3.根据权利要求1所述的液体罐车蒸洗罐体废水-废气联合治理设备,其特征是:在有机物废水池(5)的上侧安设有撇油机(4),有机物废水池(5)的一侧设有有机液体池(3);在蒸馏罐(12)的底部设有蒸馏罐放油阀(11),通过管道将蒸馏罐放油阀(11)连接到有机液体池(3)。

  4.根据权利要求3所述的液体罐车蒸洗罐体废水-废气联合治理设备,其特征是:在有机物废水池(5)的出口端通过管线和废水输出泵(7)连接到蒸馏罐(12)的入口端,蒸馏罐(12)的出口端通过管线及高压喷烧泵(9)连接到右雾化喷枪(25)和左雾化喷枪(26),且空气压缩机(29)通过管线连接到右雾化喷枪(25)和左雾化喷枪(26)。

  5.根据权利要求1所述的液体罐车蒸洗罐体废水-废气联合治理设备,其特征是:在氧化装置换热器(21)的出口端通过管线连接到汽水分离器(16)的入口端,汽水分离器(16)的上出口通过管线连接到蒸洗罐车,汽水分离器(16)的下出口通过管线和高温水循环泵(18)连接到蒸馏罐(12),高温气体通过氧化装置换热器(21)进入汽水分离器(16),气体送入蒸洗罐车使用,液体的一部分直接返回氧化装置换热器(21),另一部分液体通过高温水循环泵(18)、蒸馏罐饱和水进阀(13)送入到蒸馏罐(12)使用,在蒸馏罐(12)内降温后的液体通过蒸馏罐饱和水出阀(14)返回到汽水分离器(16)。

  6.根据权利要求1所述的液体罐车蒸洗罐体废水-废气联合治理设备,其特征是:所述氧化装置蓄热氧化室(22)的上部设有右雾化喷枪(25)和左雾化喷枪(26),氧化装置蓄热氧化室(22)的两侧分别设有右燃烧机(24)和左燃烧机(27),在氧化装置蓄热氧化室(22)的下方设有氧化装置换热器(21),在氧化装置换热器(21)的下方设有氧化装置换向阀(20)。

  7.根据权利要求6所述的液体罐车蒸洗罐体废水-废气联合治理设备,其特征是:氧化装置换向阀(20)的入口端安装有机气体浓度传感器(28)和主风机(30),主风机(30)的入风口通过空气掺混器(31)和安全保护阀(32)连接阻火泄瀑器(33),所述阻火泄瀑器(33)的下部设有阻火泄瀑器回液阀(34)。

  8.一种采用权利要求1-7中任一项装置来实现液体罐车蒸洗罐体废水-废气联合治理工艺,其特征是:

  一、需要蒸洗罐体时,首先启动气化装置:打开空气掺混器(31上的空气阀门,用辅助燃料启动右燃烧机(24)、左燃烧机(27),给氧化装置蓄热氧化室(22)预热,同时开动主风机(30)、氧化装置换向阀(20)和空气压缩机(29),待氧化装置蓄热气化室(22)内温度达到正常运行温度后,进入正常运行阶段;

  二、开启安全保护阀(32),并适当关小或关闭空气掺混器(31)上的空气阀门,开启高温水循环泵(18),将蒸罐排出的废气由主风机(30)送入氧化装置蓄热氧化室(22)内,同时启动废水输出泵(7)将有机物废水池(5)内的废水闭送入蒸馏罐(12);开启高压喷烧泵(9)将废雾化喷入气化装置蓄热气化室(22);废气和雾化废水中的有机物质在氧化装置蓄热氧化室(22)内氧化或燃烧,放出的热量随着风流向下经过氧化装置换热器(21)由高温水循环泵(18)取出,在汽水分离器(16)内进行汽水分离产水蒸汽,水蒸汽经过管道送去蒸洗罐车的罐体;汽水分离器(16)内的另一部分热量可分流到蒸馏罐(12)内部的换热器,在蒸馏罐(12)内微负压的状态下将废水中的水份和低沸点有机物蒸馏出来,再与罐车罐体内的废气、有机物废水池(5)顶部的废气一并由主风机(30)送入氧化装置蓄热氧化室(22)内高温氧化处理;蒸馏罐(12)底部的浓纯油品有机物分离回收到有机液体池(3),用做设备运行的燃烧机燃料或其它用途;

  三、废气流程中在阻火泄瀑器(33)中和氧化装置换向阀(20)中析出的废水分别由阻火泄瀑器回液阀(34)和氧化装置回液阀(19)回流到有机物废水池(5)内;根据实际工作需要,可通过调节主风机(30)、高压喷烧泵(9)、蒸馏罐饱和水进阀(13)、蒸馏罐饱和水出阀(14)来适应废水、废气和水蒸汽的处理和利用数量;

  四、停机时,首先将右燃烧机(24)、左燃烧机(27)燃料关闭,再关闭高压喷烧泵(9);当汽水分离器(16)内压力小于10kPa或温度小于100℃时,后关闭依次主风机(30)、安全保护阀(32)、高温水循环泵(18);右燃烧机(24)和左燃烧机(27)空气路、空气压缩机(29)继续维持一段时间后,与其它电路、气路设备一块关闭。

  9.根据权利要求8所述的液体罐车蒸洗罐体废水-废气联合治理工艺,其特征是:还包括以下安全保护措施:

  (一)、以有机气体浓度传感器(28)信号作为源信号,控制主风机(30)转速,确保进入氧化装置蓄热氧化室(22)内的废气浓度在设定的浓度范围内;在一定转速情况下,以氧化装置蓄热氧化室(22)内腔温度和蓄热体的温度值作为源信号,用来控制调节氧化装置换向阀(20)的换向时间、右雾化喷枪(25)和左雾化喷枪(26)废水雾化喷量、右燃烧机(24)和左燃烧机(27)工作负荷;

  (二)、以汽水分离器(16)液位低限、高温水循环泵(18)故障停机、蒸馏罐(12)液位低限、氧化装置蓄热氧化室(22)内腔温度超高失控时,来连锁报警并停止主风机(30)运行,并在1.5秒内关断安全保护阀(32)。

  说明书

  液体罐车蒸洗罐体废水-废气联合治理设备与工艺

  技术领域

  本发明涉及环境保护工艺与设备,特别涉及一种液体罐车蒸洗罐体废水-废气联合治理设备与工艺。

  背景技术

  随着石油化工业的发展,油品运输行业不断扩张,从事原油、煤焦油、成品油的大型运输车不断增加,罐车在运输中占有很重要的地位,约占货车总数的18%,至2017年全国约有200多万辆。液体罐车在改运不同类型或不同品种的物品时必须对罐体内部进行蒸洗或清洗,提供蒸洗罐业务服务的人也越来越多,目前已经形成较大市场,全国已有蒸洗罐厂数百家,仅山东省就有50多家。蒸洗一台次罐车大约产生100kg的有机废水,并伴随挥发性有机废气排出。每台罐车按每周蒸洗一次,估算全国每天蒸洗罐车形成2~3万多吨有机废水。目前蒸洗罐厂所排废气一般采用“喷淋水洗—氧化(双氧水或光解)—活性炭吸附”工艺;所排废水一般是采用“气浮—隔油—大气厌氧好如(生物法)—膜处理”工艺。这些技术都是传统的废气和废水处理工艺,技术成熟,对罐车蒸洗行业的环保起到了一定推动作用,相较以前罐车蒸洗废气、废水直接排放有了很大改观。但仍然存在以下缺点:一是废水中的煤焦油会对生化处理中的生物菌有毒害作用,会使废水处理系统瘫痪。二是废气处理中形成的饱和活性炭、废水处理中形成的污泥等都是固废,还需要进行处理。三是废水排放不会实现“零排放”,膜处理后仍然形成少量的高浓度有机废水,还需要处理。目前我国日益严峻的环境压力下,相关标准、行业标准、团体标准和地方标准不断修订,标准要求越来越高,致使一些蒸洗罐厂的废水、废气处理无法达标而停业,严重影响到了罐车运输行业和化学化工业的生存发展。另外,据了解如采用其它方式来彻底处理废水,每处理一吨这样的有机废水费用至少2000多元,因此社会上就出现了一些非法偷排现象。

  发明内容

  本发明的目的就是针对现有技术存在的上述缺陷,提供一种液体罐车蒸洗罐体废水-废气联合治理设备与工艺,以蒸洗罐体产生的有机废水和有机废气中的有机物作为能源,采用“蒸汽再循环高温热氧化(VRTO)”工艺对有机废水和有机废气进行联合处理,解决传统方式存在的上述缺点,并且实现废物资源化利用,节约能源、降低运行成本的目的。

  本发明提到的一种液体罐车蒸洗罐体废水-废气联合治理设备,其技术方案是:主要包括罐车废气收集罩(1)、有机液体池(3)、撇油机(4)、有机物废水池(5)、废水输出泵(7)、高压喷烧泵(9)、蒸馏罐(12)、汽水分离器(16)、高温水循环泵(18)、氧化装置换向阀(20)、氧化装置换热器(21)、氧化装置蓄热氧化室(22)、氧化装置排气烟囱(23)、燃烧机、雾化喷枪、空气压缩机(29)、主风机(30)、空气掺混器(31)和阻火泄瀑器(33),所述罐车废气收集罩(1)、有机物废水池(5)、蒸馏罐(12)通过管道相连接,构成罐车内废气、有机物废水池内废气、蒸馏罐内废气汇集部分,有机废气相汇合后进入氧化装置蓄热氧化室(22)内氧化有机物,其中每台蒸洗罐车车位设置至少一个罐车废气收集罩(1);有机液体池(3)、撇油机(4)、有机物废水池(5)、蒸馏罐放油阀(11)之间通过管道相连接构成有机液体收集部分;废水输出泵(7)、高压喷烧泵(9)、一组或一组以上的雾化喷枪、空气压缩机(29)、一组或一组以上的燃烧机通过管道相连接构成有机废水雾化喷烧部分;蒸馏罐(12)、汽水分离器(16)、高温水循环泵(18)、氧化装置换热器(21)通过管道相连接构成氧化热量提取和利用部分;氧化装置换向阀(20)、氧化装置换热器(21)、氧化装置蓄热氧化室(22)自下而上依此连接安装构成氧化装置主体部分;有机气体浓度传感器(28)、主风机(30)、空气掺混器(31)、安全保护阀(32)、阻火泄瀑器(33)依次相连接,构成安全保护部分。

  优选的,在每一台蒸洗罐车的上部设有至少一个罐车废气收集罩(1),每个罐车废气收集罩(1)通过管线汇集在一起,并且连接到有机物废水池(5)的上部和蒸馏罐(12)的上部,三组管线汇合后,再通过阻火泄瀑器(33)、空气掺混器(31)、主风机(30),进入氧化装置。

  优选的,在有机物废水池(5)的上侧安设有撇油机(4),有机物废水池(5)的一侧设有有机液体池(3);在蒸馏罐(12)的底部设有蒸馏罐放油阀(11),通过管道将蒸馏罐放油阀(11)连接到有机液体池(3)。

  优选的,在有机物废水池(5)的出口端通过管线和废水输出泵(7)连接到蒸馏罐(12)的入口端,蒸馏罐(12)的出口端通过管线及高压喷烧泵(9)连接到右雾化喷枪(25)和左雾化喷枪(26),且空气压缩机(29)通过管线连接到右雾化喷枪(25)和左雾化喷枪(26)。

  优选的,在氧化装置换热器(21)的出口端通过管线连接到汽水分离器(16)的入口端,汽水分离器(16)的上出口通过管线连接到蒸洗罐车,汽水分离器(16)的下出口通过管线和高温水循环泵(18)连接到蒸馏罐(12),高温气体通过氧化装置换热器(21)进入汽水分离器(16),气体送入蒸洗罐车使用,液体的一部分直接返回氧化装置换热器(21),另一部分液体通过高温水循环泵(18)、蒸馏罐饱和水进阀(13)送入到蒸馏罐(12)使用,在蒸馏罐(12)内降温后的液体通过蒸馏罐饱和水出阀(14)返回到汽水分离器(16)。

  优选的,上述氧化装置蓄热氧化室(22)的上部设有右雾化喷枪(25)和左雾化喷枪(26),氧化装置蓄热氧化室(22)的两侧分别设有右燃烧机(24)和左燃烧机(27),在氧化装置蓄热氧化室(22)的下方设有氧化装置换热器(21),在氧化装置换热器(21)的下方设有氧化装置换向阀(20)。

  优选的,氧化装置换向阀(20)的入口端安装有机气体浓度传感器(28)和主风机(30),主风机(30)的入风口通过空气掺混器(31)和安全保护阀(32)连接阻火泄瀑器(33),所述阻火泄瀑器(33)的下部设有阻火泄瀑器回液阀(34)。

  本发明提到的液体罐车蒸洗罐体废水-废气联合治理工艺,其技术方案是包括以下过程:

  一、需要蒸洗罐体时,首先启动气化装置:打开空气掺混器(31上的空气阀门,用辅助燃料启动右燃烧机(24)、左燃烧机(27),给氧化装置蓄热氧化室(22)预热,同时开动主风机(30)、氧化装置换向阀(20)和空气压缩机(29),待氧化装置蓄热气化室(22)内温度达到正常运行温度后,进入正常运行阶段;

  二、开启安全保护阀(32),并适当关小或关闭空气掺混器(31)上的空气阀门,开启高温水循环泵(18),将蒸罐排出的废气由主风机(30)送入氧化装置蓄热氧化室(22)内,同时启动废水输出泵(7)将有机物废水池(5)内的废水闭送入蒸馏罐(12);开启高压喷烧泵(9)将废雾化喷入气化装置蓄热气化室(22);废气和雾化废水中的有机物质在氧化装置蓄热氧化室(22)内氧化或燃烧,放出的热量随着风流向下经过氧化装置换热器(21)由高温水循环泵(18)取出,在汽水分离器(16)内进行汽水分离产水蒸汽,水蒸汽经过管道送去蒸洗罐车的罐体;汽水分离器(16)内的另一部分热量可分流到蒸馏罐(12)内部的换热器,在蒸馏罐(12)内微负压的状态下将废水中的水份和低沸点有机物蒸馏出来,再与罐车罐体内的废气、有机物废水池(5)顶部的废气一并由主风机(30)送入氧化装置蓄热氧化室(22)内高温氧化处理;蒸馏罐(12)底部的浓纯油品有机物分离回收到有机液体池(3),用做设备运行的燃烧机燃料或其它用途;

  三、废气流程中在阻火泄瀑器(33)中和氧化装置换向阀(20)中析出的废水分别由阻火泄瀑器回液阀(34)和氧化装置回液阀(19)回流到有机物废水池(5)内;根据实际工作需要,可通过调节主风机(30)、高压喷烧泵(9)、蒸馏罐饱和水进阀(13)、蒸馏罐饱和水出阀(14)来适应废水、废气和水蒸汽的处理和利用数量;

  四、停机时,首先将右燃烧机(24)、左燃烧机(27)燃料关闭,再关闭高压喷烧泵(9);当汽水分离器(16)内压力小于10kPa或温度小于100℃时,后关闭依次主风机(30)、安全保护阀(32)、高温水循环泵(18);右燃烧机(24)和左燃烧机(27)空气路、空气压缩机(29)继续维持一段时间后,与其它电路、气路设备一块关闭。

  优选的,本发明还包括以下安全保护措施:

  (一)、以有机气体浓度传感器(28)信号作为源信号,控制主风机(30)转速,确保进入氧化装置蓄热氧化室(22)内的废气浓度在设定的浓度范围内;在一定转速情况下,以氧化装置蓄热氧化室(22)内腔温度和蓄热体的温度值作为源信号,用来控制调节氧化装置换向阀(20)的换向时间、右雾化喷枪(25)和左雾化喷枪(26)废水雾化喷量、右燃烧机(24)和左燃烧机(27)工作负荷;

  (二)、以汽水分离器(16)液位低限、高温水循环泵(18)故障停机、蒸馏罐(12)液位低限、氧化装置蓄热氧化室(22)内腔温度超高失控时,来连锁报警并停止主风机(30)运行,并在1.5秒内关断安全保护阀(32)。

  本发明与现有技术相比,其有益效果是:

  1、环保效果彻底:将部分有机废水汽化并与有机废气、空气均质化混合后的混合气体在1000℃左右高温氧化床内均质均温氧化,将有机物质转化成CO2、H2O等无害物质;如废水和废气中含有部分氯、苯等元素的物质,通过氧化装置内的急冷换热器,避免氧化排气过程中二恶英的二次生成;

  2、运行安全可靠:采用了预混燃烧(氧化)和扩散燃烧(氧化)相结合的方式处理废水和废气中的油品有机物。通过撇油机和蒸馏罐分离较纯的油品有机物,给燃烧机提供燃料,是扩散式燃烧方式,燃烧安全可靠;通过废水中低沸点的有机物蒸馏出来与废气或空气预混后氧化,通过在线的有机气体浓度传感器监控混合气体的浓度在合理的范围内,以保障预混气体的安全氧化;溶解于废水中的较高沸的有机物采用雾化喷烧,既有扩散燃烧,又有预燃烧的混合方式,在氧化装置蓄热氧化室内安全处理;

  3、运行经济性好:废水和废气中的有机物高温氧化或(和)燃烧产生热量作为用于蒸馏废水,废水蒸汽与低沸点有机物加热废气和(或)空气后又回流到高温氧化床能量得到再利用,氧化产生的热量随着排气被换热器吸收部分,用于蒸馏废水和(或)产生水蒸汽。因此在治理废水和废气的同时,利用了废水和废气中的有机物能量,降低设备运行成本;

  4、应用方式多样化:既联合处理废水和废气,又可单独处理废水、废气。处理废水有两种途径,一是利用氧化或(和)燃烧的热量蒸馏废水,与废气一并在蓄热氧化室内氧化有机物;二是通过雾化废水在蓄热氧化室内喷烧。两者可同时使用,也可单选使用。同时,还可制取水蒸汽用于蒸洗罐车罐体,蒸汽产量和废水处理量根据实际工况可调节。

更多关于成都水处理设备的文章请关注:https://www.cdmmscl.com

相关产品介绍